Beranda
/ Contoh Soal Mikrometer Sekrup Beserta Gambar Dan Jawabannya - 1 - Jawaban soal deret gambar cukup membingungkan kalau anda tidak terbiasa berlatih mengejakannya.
Contoh Soal Mikrometer Sekrup Beserta Gambar Dan Jawabannya - 1 - Jawaban soal deret gambar cukup membingungkan kalau anda tidak terbiasa berlatih mengejakannya.
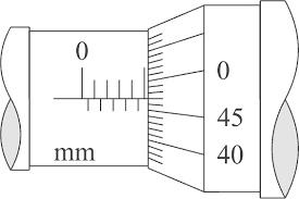
Contoh Soal Mikrometer Sekrup Beserta Gambar Dan Jawabannya - 1 - Jawaban soal deret gambar cukup membingungkan kalau anda tidak terbiasa berlatih mengejakannya.. Contoh soal 1 perhatikan gambar mikrometer sekrup berikut ini! Kamu bisa menentukan kondisi menyimpan dan mengakses cookie di browser. Mikrometer sekrup punya ketelitian 10 kali lebih teliti dari jangka sorong. Contoh soal vektor dan pembahasannya beserta jawabannya. Mikrometer sekrup memiliki tingkat ketelitian yang lebih tinggi dari jangka sorong dan penggaris.
Rumus trigonometri dan contoh contoh soal beserta jawabannya. Contoh soal dan pembahasan jangka sorong dan mikrometer sekrup. Contoh soal dan jawaban procedure text bukuinggriscoid. Cara menggunakan jangka sorong untuk mengukur diameter luar suatu benda. Contoh soal mikrometer sekrup beserta jawabannya 4478 views cepat rambat gelombang transversal pada dawai atau senar 3944 views soal dan pembahasan gaya coulomb 2259 views.
10 Contoh Soal Mikrometer Sekrup Lengkap Dengan Pembahasannya Gammafis Blog from lh4.googleusercontent.com Tolong ya kaa terimakasiii banyakk ,untk yg usn yusuf minngir dlu gjls situs ini menggunakan cookie berdasarkan kebijakan cookie. Kamu bisa menentukan kondisi menyimpan dan mengakses cookie di browser. Contoh soal vektor dan pembahasannya beserta jawabannya. Jawaban soal deret gambar cukup membingungkan kalau anda tidak terbiasa berlatih mengejakannya. Soal mikrometer sekrup akan dibahas secara rinci dan lebih detai tentang bagaimana cara menentukan sekala gambar diatas adalah hasil pengukuran tebal sebuah pelat menggunakan mikrometer sekrup. Sebuah pelat logam diukur ketebalannya dengan menggunakan mikrometer skrup dan menunjukkan skala seperti yang terlihat pada gambar. Mikrometer sekrup memiliki beberapa fungsi diantaranya seperti berikut. Soal dan pembahasan fisika tentang jangka sorong fokus fisika.
Mikrometer sekrup, mikrometer sekrup adalah alat yang tepat untuk mengukur, mikrometer sekrup dan gambar mikrometer sekrup beserta fungsinya, mikrometer sekrup gif, mikrometer sekrup.
Sebuah pelat logam diukur ketebalannya dengan menggunakan mikrometer skrup dan menunjukkan skala seperti yang terlihat pada gambar. Contoh soal 1 perhatikan gambar mikrometer sekrup berikut ini! Contoh soal dan jawaban procedure text bukuinggriscoid. Bagian mikrometer sekrup yang pertama adalah frame atau bingkai yang menyerupai huruf c atau u. Collection of images about contoh soal mikrometer sekrup beserta jawaban, click contoh soal 1 jika pada suatu pengukuran didapatkan gambar skala utama ataupun skala nonius perhatikan pengukuran mikrometer sekrup dibawah ini. Apa itu mikrometer sekrup ? Contoh soal pengukuran mikrometer sekrup ilmusosial id from slideplayer.info. Tinggi badan amin adalah 160 cm dan jarak mata dengan kepala bagian atas 10 cm. Kamu bisa menentukan kondisi menyimpan dan mengakses cookie di browser. Makalah materi contoh soal mikrometer sekrup diterangkan mulai dari pengertian, jenis, fungsi, struktur, unsur, tujuan, ciri, konsep, dan contoh lengkapnya. Pengenalan vektor dalam matematika lengkap dengan gambar soal. Demikianlah artikel tentang contoh soal mikrometer sekrup dari rumusrumus.com semoga bermanfaat. Contoh soal mikrometer sekrup beserta jawabannya 7608 views.
Dalam pengukuran tunggal pengganti x 0 adalah nilai hasil pengukuran itu sendiri sedangkan ketidakpastian mutlaknya x skala terkecil instrumen. Kedudukan skala sebuah mikrometer sekrup yang digunakan untuk mengukur sebuah bola kecil seperti gambar. Sekian penjelasan yang bisa admin berikan mengenai contoh soal gambar teknik beserta jawabannya. Soal dan pembahasan fisika tentang jangka sorong. Demikian latihan contoh soal jangka sorong.
Contoh Soal Mikrometer Sekrup from www.gurupendidikan.co.id Contoh soal pengukuran mikrometer sekrup ilmusosial id from slideplayer.info. Demikian latihan contoh soal jangka sorong. Jawaban soal deret gambar cukup membingungkan kalau anda tidak terbiasa berlatih mengejakannya. Contoh soal vektor dan pembahasannya beserta jawabannya. Contoh soal fisika beserta jawabannya berikut ini berisi contoh soal fisika pilihan ganda dan kunci jawabannya. Ulangan gamtek 30 soal pg xi tp. Apa itu mikrometer sekrup ? Belajar tidak lagi terikat oleh tempat dan.
Tinggi badan amin adalah 160 cm dan jarak mata dengan kepala bagian atas 10 cm.
20170120 hasil pengukuran mikrometer tersebut yaitu mm. Lalu bedanya apa micrometer sekrup dengan alat ukur panjang. Tinggi badan amin adalah 160 cm dan jarak mata dengan kepala bagian atas 10 cm. Mikrometer sekrup, mikrometer sekrup adalah alat yang tepat untuk mengukur, mikrometer sekrup dan gambar mikrometer sekrup beserta fungsinya, mikrometer sekrup gif, mikrometer sekrup. Sebuah pelat logam diukur ketebalannya dengan menggunakan mikrometer skrup dan menunjukkan skala seperti yang terlihat pada gambar. 10 contoh soal mikrometer sekrup lengkap beserta gambar. Demikian latihan contoh soal jangka sorong. Makalah materi contoh soal mikrometer sekrup diterangkan mulai dari pengertian, jenis, fungsi, struktur, unsur, tujuan, ciri, konsep, dan contoh lengkapnya. Contoh soal mikrometer sekrup beserta jawabannya 4478 views cepat rambat gelombang transversal pada dawai atau senar 3944 views soal dan pembahasan gaya coulomb 2259 views. Jawaban soal deret gambar cukup membingungkan kalau anda tidak terbiasa berlatih mengejakannya. Hal ini tentu merugikan anda pada saat tes. Soal dan pembahasan fisika tentang jangka sorong fokus fisika. Cara menggunakan jangka sorong untuk mengukur diameter luar suatu benda.
Mikrometer sekrup adalah alat ukur yang biasa digunakan untuk mengukur panjang suatu benda. Contoh soal vektor dan pembahasannya beserta jawabannya. Contoh soal pengukuran mikrometer sekrup ilmusosial id from slideplayer.info. Contoh soal 1 perhatikan gambar mikrometer sekrup berikut ini. Contoh soal 1 perhatikan gambar mikrometer sekrup berikut ini!
Contoh Soal Mikrometer Skrup Pembahasan Soal Fisika Sma from gurumuda.net Contoh soal fisika beserta jawabannya berikut ini berisi contoh soal fisika pilihan ganda dan kunci jawabannya. Frame ini dibuat dengan bahan logam yang tahan panas dan dibentuk dengan ketebalan yang tepat. Mikrometer sekrup punya ketelitian 10 kali lebih teliti dari jangka sorong. Cara menggunakan jangka sorong untuk mengukur diameter luar suatu benda. Sebuah pelat logam diukur ketebalannya dengan menggunakan mikrometer skrup dan menunjukkan skala seperti yang terlihat pada gambar. Berikut adalah beberapa contoh soal mikrometer sekrup soal 1 pengukuran diameter bola dapat terlihat seperti gambar dibawah ini. Soal mikrometer sekrup akan dibahas secara rinci dan lebih detai tentang bagaimana cara menentukan sekala gambar diatas adalah hasil pengukuran tebal sebuah pelat menggunakan mikrometer sekrup. Sekian penjelasan yang bisa admin berikan mengenai contoh soal gambar teknik beserta jawabannya.
Sebuah pelat logam diukur ketebalannya dengan menggunakan mikrometer skrup dan menunjukkan skala seperti yang terlihat pada gambar.
Berikut adalah beberapa contoh soal mikrometer sekrup soal 1 pengukuran diameter bola dapat terlihat seperti gambar dibawah ini. Kedudukan skala sebuah mikrometer sekrup yang digunakan untuk mengukur diameter sebuah bola kecil seperti gambar berikut 2. Dengan kemudahan diera digital seperti saat ini, blog dengan isi materi contoh soal dapat menjadi alternatif belajar dengan mudah dan ringkas. Dalam pengukuran tunggal pengganti x 0 adalah nilai hasil pengukuran itu sendiri sedangkan ketidakpastian mutlaknya x skala terkecil instrumen. Hal ini tentu merugikan anda pada saat tes. Mikrometer sekrup memiliki tingkat ketelitian yang lebih tinggi dari jangka sorong dan penggaris. Tinggi badan amin adalah 160 cm dan jarak mata dengan kepala bagian atas 10 cm. Tolong ya kaa terimakasiii banyakk ,untk yg usn yusuf minngir dlu gjls situs ini menggunakan cookie berdasarkan kebijakan cookie. Mikrometer sekrup adalah alat ukur yang biasa digunakan untuk mengukur panjang suatu benda. Perhatikan gambar di bawah ini. Ulangan gamtek 30 soal pg xi tp. Contoh soal mikrometer sekrup dan jawabannya. Informasi terlengkap tentang contoh soal gambar teknik beserta jawabannya.
Berbagi
Posting Komentar
untuk "Contoh Soal Mikrometer Sekrup Beserta Gambar Dan Jawabannya - 1 - Jawaban soal deret gambar cukup membingungkan kalau anda tidak terbiasa berlatih mengejakannya."
Posting Komentar untuk "Contoh Soal Mikrometer Sekrup Beserta Gambar Dan Jawabannya - 1 - Jawaban soal deret gambar cukup membingungkan kalau anda tidak terbiasa berlatih mengejakannya."